The dimensions of a specific product can be checked on the product page.
They are located below the photo, in the "Technical Data" tab:
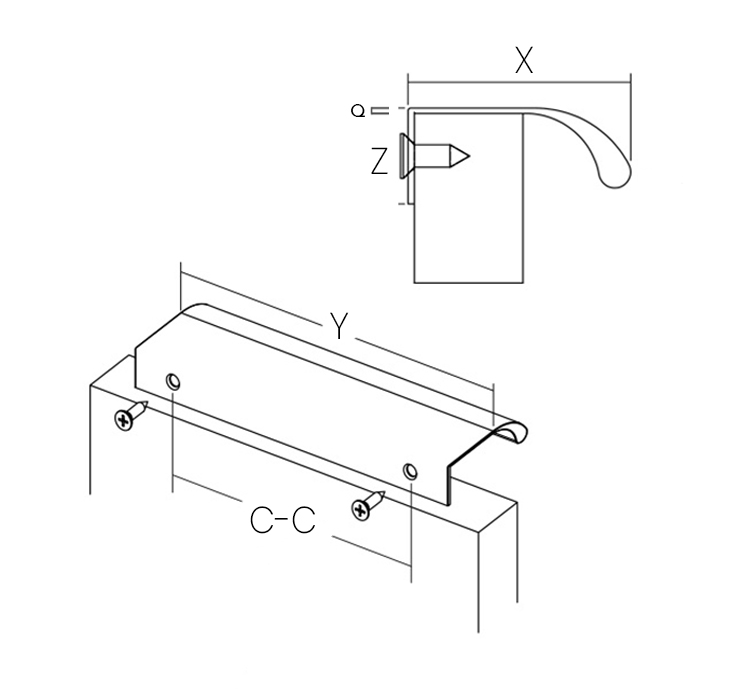
Depending on the type of handle, the dimensions are read differently. Most of our products have drawings with a legend attached to the photos, which will help in correctly reading the dimensions. Please pay attention to the markings:
Length (Y)
Spacing (CC)
Width (Z)
Height (X)
We also attach them below:
1. LONG HANDLES:

2. KNOBS:

3. EDGE HANDLES:

4. SHELL HANDLES:
If you need a technical drawing of a specific product, please contact us by email at info@skandynawskieuchwyty.pl
We will send a request to the manufacturer to provide it.
Comments
0 comments
Please sign in to leave a comment.