Vous pouvez consulter les dimensions d'un produit spécifique sur sa fiche produit.
Elles se trouvent sous la photo, dans l'onglet « Données techniques » :
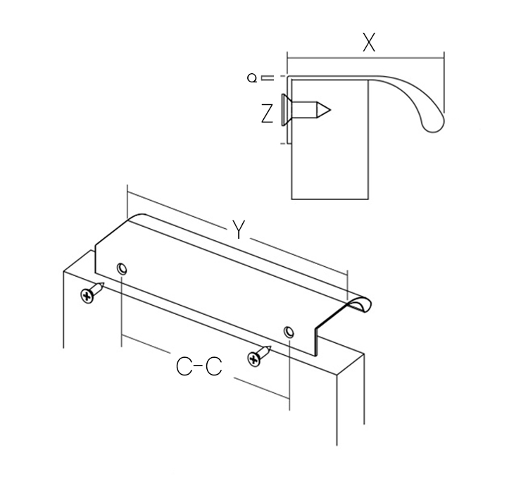
Selon le type de poignée, les dimensions se lisent différemment. La plupart de nos produits sont accompagnés de dessins et de légendes pour vous aider à lire correctement les dimensions. Veuillez noter les marquages :
Longueur (Y)
Espacement (CC)
Largeur (Z)
Hauteur (X)
Nous les incluons également ci-dessous :
1. POIGNÉES LONGITUDINALES :

2. BOUTONS :

3. BORD DE POIGNÉES :

4. POIGNÉES DE COQUE :
Si vous avez besoin d'un dessin technique d'un produit spécifique, veuillez nous contacter à l'adresse suivante : info@skandynawskieuchwyty.pl
Nous enverrons une demande au fabricant pour qu'il nous la fournisse.
Commentaires
0 commentaire
Vous devez vous connecter pour laisser un commentaire.