Wymiary konkretnego produktu można sprawdzić na karcie produktu.
Znajdują się one pod zdjęciem, w zakładce "Dane Techniczne" :
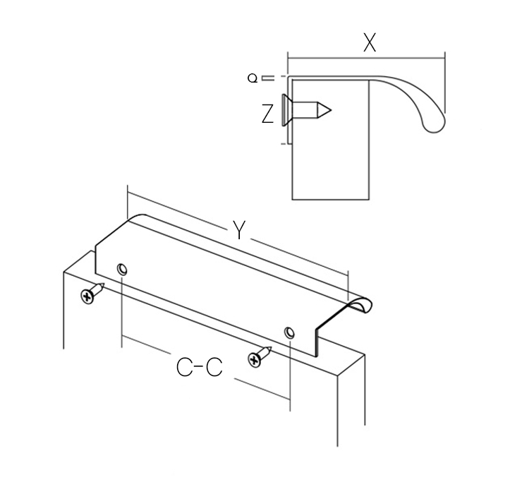
W zależności od rodzaju uchwytu, wymiary czytamy w inny sposób. Większość naszych produktów ma załączone do zdjęć rysunki z legendą, które pomogą w prawidłowym odczytaniu wymiarów. Prosimy zwrócić uwagę na oznaczenia:
Długość (Y)
Rozstaw (CC)
Szerokość (Z)
Wysokość (X)
Załączamy je również poniżej:
1. UCHWYTY PODŁUŻNE:

2. GAŁKI:

3. UCHWYTY KRAWĘDZIOWE:

4. UCHWYTY MUSZLOWE:
Jeśli potrzebujesz rysunek techniczny konkretnego produktu, prosimy skontaktować się z nami pod adresem mailowym info@skandynawskieuchwyty.pl
Prześlemy prośbę do producenta, aby go udostępnił.
Komentarze
Komentarze: 0
Zaloguj się, aby dodać komentarz.